|
WJA滚子联轴器 特点及应用场合:适用于起重机、提-升机构的减速器与卷筒的联接及其他类似机构的联接,可传递转矩及支承径向载荷,结构紧凑.工作稳定。
WJ型--内花键联接型;
WJA型--轴孔单键联接型;
![]()
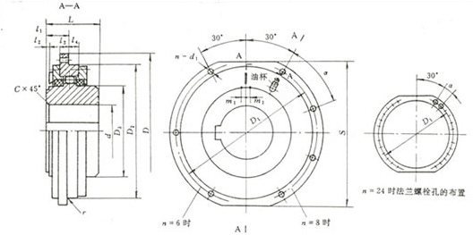
WJA型球面滚子联轴器基本参数和主要尺寸:(JB/T 7009-93) mm
![]() |

|
WJA滚子联轴器 特点及应用场合:适用于起重机、提-升机构的减速器与卷筒的联接及其他类似机构的联接,可传递转矩及支承径向载荷,结构紧凑.工作稳定。
WJ型--内花键联接型;
WJA型--轴孔单键联接型;
![]()
WJA型球面滚子联轴器基本参数和主要尺寸:(JB/T 7009-93) mm
![]() |