|
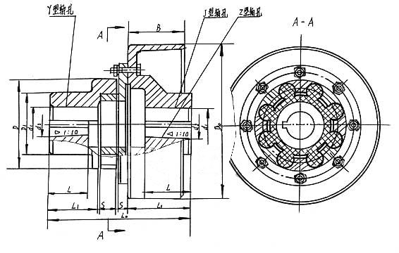
MLL-II(LMZ-II)梅花联轴器 特点及应用场合:具有补偿两轴相对偏移、减振、缓冲性能、径向尺寸小,结构简单、不用润滑、承载能力较高,维护方使、更换弹性元件需轴向移动 (MLS型除外),适用于联接同轴线,起动频繁,正反转变化,中速、中等转矩传动轴系和要求工作可靠性-高的工作部位。不适用于重载、低速及轴向尺寸受艰制,更换弹性元件后两轴对中困难的部位。
ML型--基本型;
MLL-II型--分体式制动轮型;
MLL-I型--整体式制动轮型;
MLZ型--单法兰盘;
MLS型--双法兰盘;
![]()
MLL-II(LMZ-II)整体制动轮梅花联轴器的参数及主要尺寸:(GB/T5272-85) mm
![]() |
中文版
English


服务热线:18913433240 /15952819232
公司电话:0511-85783292
公司传真:0511-85019680(自动接收)