|
蛇簧联轴器的结构紧凑、外形尺寸小,适用于连接两同轴线的中、大功率的传动轴系。具有补偿两轴相对偏移的减震、缓冲性能。工作温度为-30℃-+150℃,传递公称转矩52-931000N.m.一般两轴相对的许用位移量:轴向为4-20mm;径向为0.5-3mm;角位移为1°15′。蛇簧联轴器广泛应用于各工业领域。
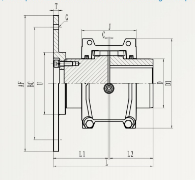
福克T90联轴器的参数及主要尺寸
![]() ![]() |

|
蛇簧联轴器的结构紧凑、外形尺寸小,适用于连接两同轴线的中、大功率的传动轴系。具有补偿两轴相对偏移的减震、缓冲性能。工作温度为-30℃-+150℃,传递公称转矩52-931000N.m.一般两轴相对的许用位移量:轴向为4-20mm;径向为0.5-3mm;角位移为1°15′。蛇簧联轴器广泛应用于各工业领域。
福克T90联轴器的参数及主要尺寸
![]() ![]() |